
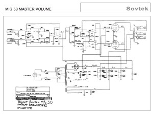
Mig 50 that had an EL34 conversion that didn’t work out. The screen grid resistors were not changed when it was switched from 6L6 to EL34.

6L6 typically has 470 ohm screen grid resistor and EL34 uses 1.5K. Also a 6L6 has no connection on pin 1. The suppressor grid is internally tied to ground via pin 8, the cathode. On an EL34 the suppressor grid is tied to pin 1 and since the suppressor grid must be grounded it must be physically wired to ground on the tube socket by tying pin 1 to pin 8. This amp had EL34s installed but pin 1 was not grounded, as it needs to be. 470 ohm screen grid resistors and a power supply dropping resistor got toasty.


You must be logged in to post a comment.