
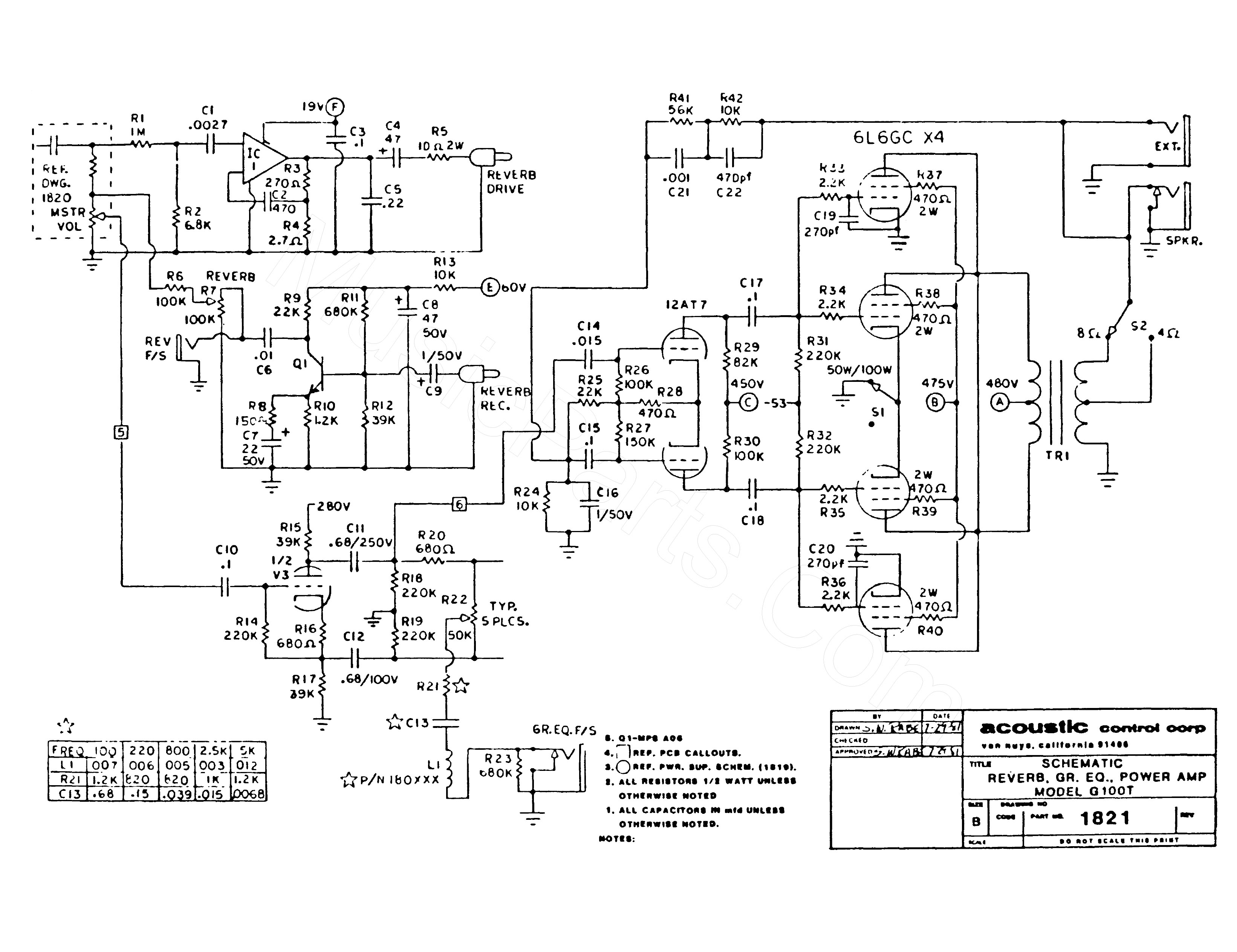
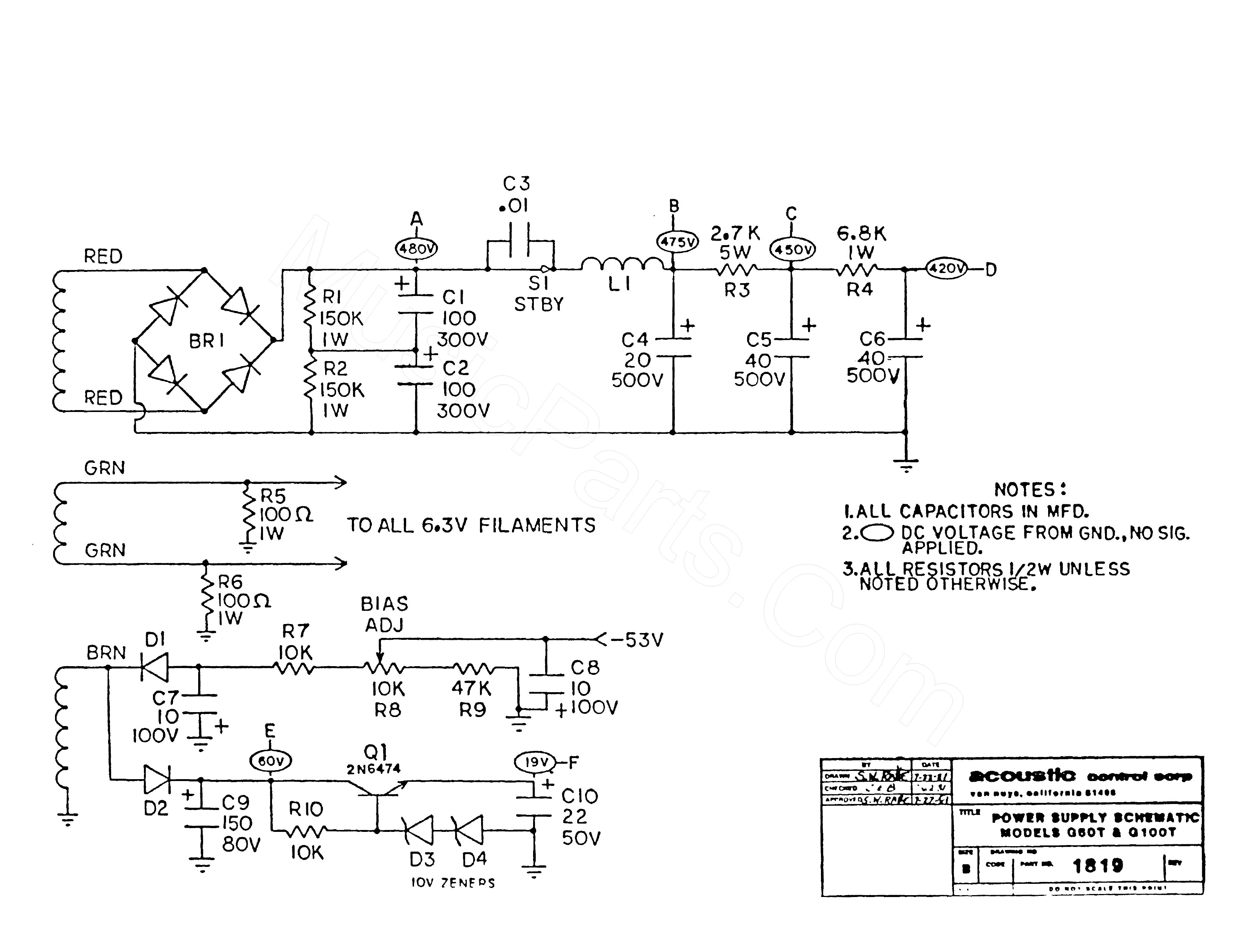
100 watt Acoustic G100T TUBE amp. One of the last amps Acoustic made in the early 80s before going out of business. I know they also made the G60T which is a 60 watt version of this amp as a combo.
there is more info at the link below but notice it is a different version of the G100T than the one pictured here. It has one input jack instead of 2, 4 switches on the front, switchable FET and tube distortion, etc.
http://acoustic.homeunix.net/twiki/bin/view/Acoustic/GuitarTubeHead160







You must be logged in to post a comment.