
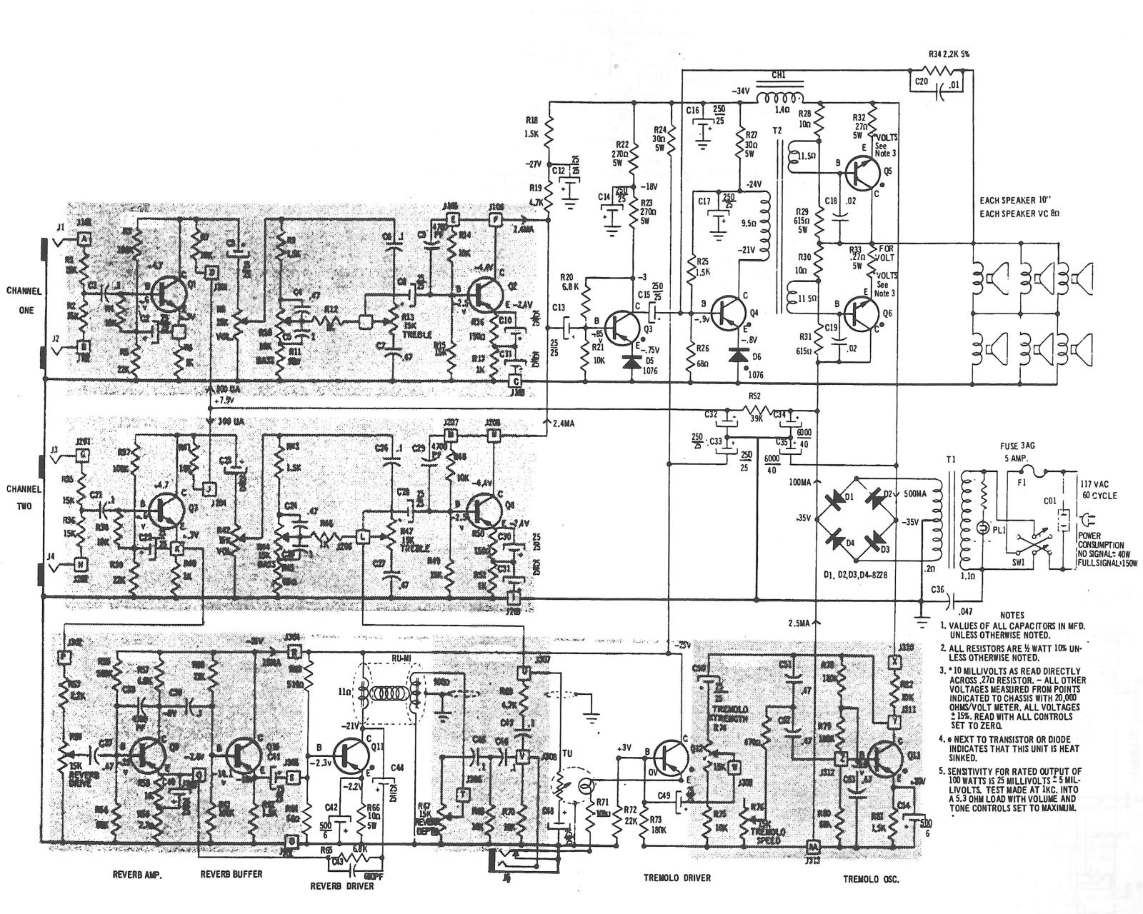
Sears Silvertone 1466 Solid State 150 bass amp. Cab is a 6×10. Keeping it very simple with just volume, bass and treble. Electronics are visible behind the front panel on the bottom, so I suppose you could actually just reach in and touch it. Seems kind of dangerous especially with on/off switch and pilot light on front panel which would have line voltage on them.

Inside the chassis is a mix of point to point and PCB. Preamp PCB is mounted to front panel and power amp and power supply are mostly hard wired. This just needed a grounded 3-prong and some mods for versatility. The amp comes with a speaker cable out that is wired directly to the 6×10 speaker cab. The owner wanted to be able to use this head with different cabs and this cab with other amps, so I added a 1/4″ speaker out jack to the head and added a 1/4″ input jack to the speaker cable that goes to the cab. There were a few old crusty electrolytics that were replaced also.


You must be logged in to post a comment.