
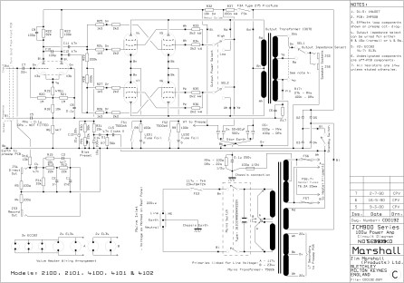
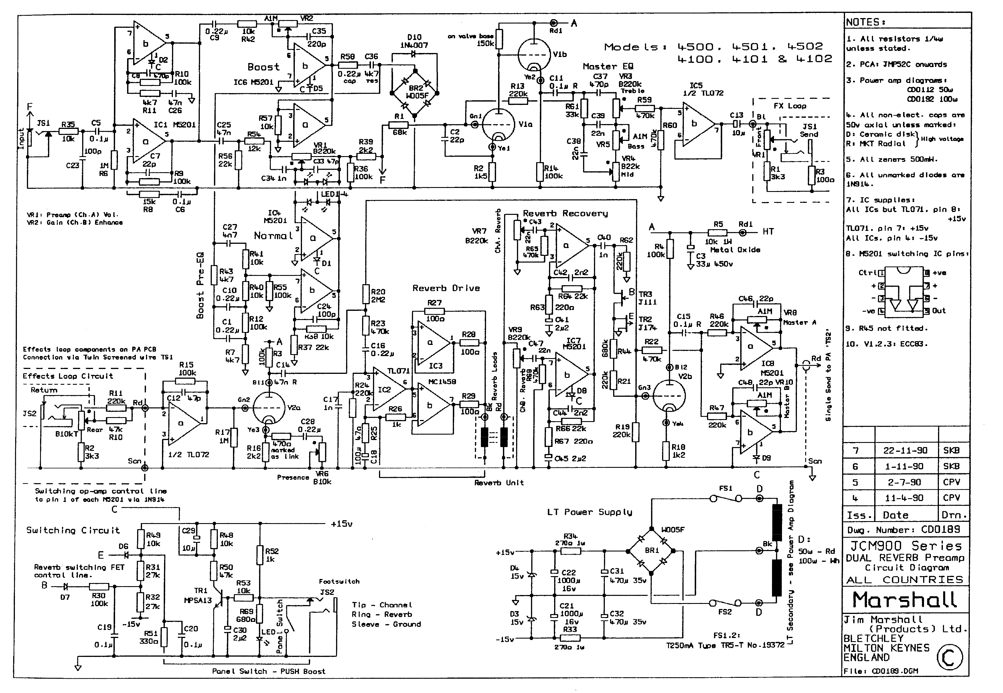
Early 90s JCM900 with two channels and reverb on both. A lot of opamps in this amp. They are used for the input and first gain stage, reverb drive and recovery, and for the boost circuit. It essentially has an overdrive pedal inserted into the front of the amp before the V1 12AX7 drives the tone stack. It is a cathode follower in the typical fashion. V2 is a gain stage and V3 is phase inverter.

Somehow I lost my chassis image of this amp and all I have is a pic of the crappy re-soldering job someone did in the past. This thing had intermittent crackle and it would cut out occasionally. After re-flowing many solder connections like these ones it worked reliably. It was also extremely dirty. I’m sure cleaning the pots and tube sockets helped too.


You must be logged in to post a comment.