
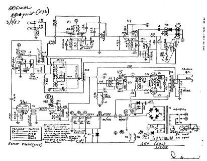
Sundown A-50 which is a mid 80s amp made by Dennis Kager. 50 watter with two channels for clean and gain. Has an RMS knob adjusting output from 50 to 15W and a Governor adjustment which controls a post phase inverter compression circuit.

A build which I guess you could call better than average but still janky in some ways. The caps in the power supply are not held down or strapped down in any way. This one had a power supply cap just flapping in the breeze which had broken its lead due to vibration. Heavy components need to be secured in some way. This build has lots of heavy components flying around in the air without support. Will not withstand the test of vibration over time. Definitely a unique amp that I would say is cool though.

You must be logged in to post a comment.