
Fender Blues Deluxe reissue from mid 90s. My chassis shot was all blurry but it’s ok these amps are all the same inside, Blues Deville, Blues Deluxe, Hot Rod Deville, Blues Jr, etc.
The Fender-style input jacks usually get broken. Touch up the solder connections on the tube sockets for reliability.
This one does not have a bias pot for some reason. A lot of the other similar models do. You either have to use tubes that bias nice by their current draw, or adjust the resistor in the bias supply or install a little trimpot.

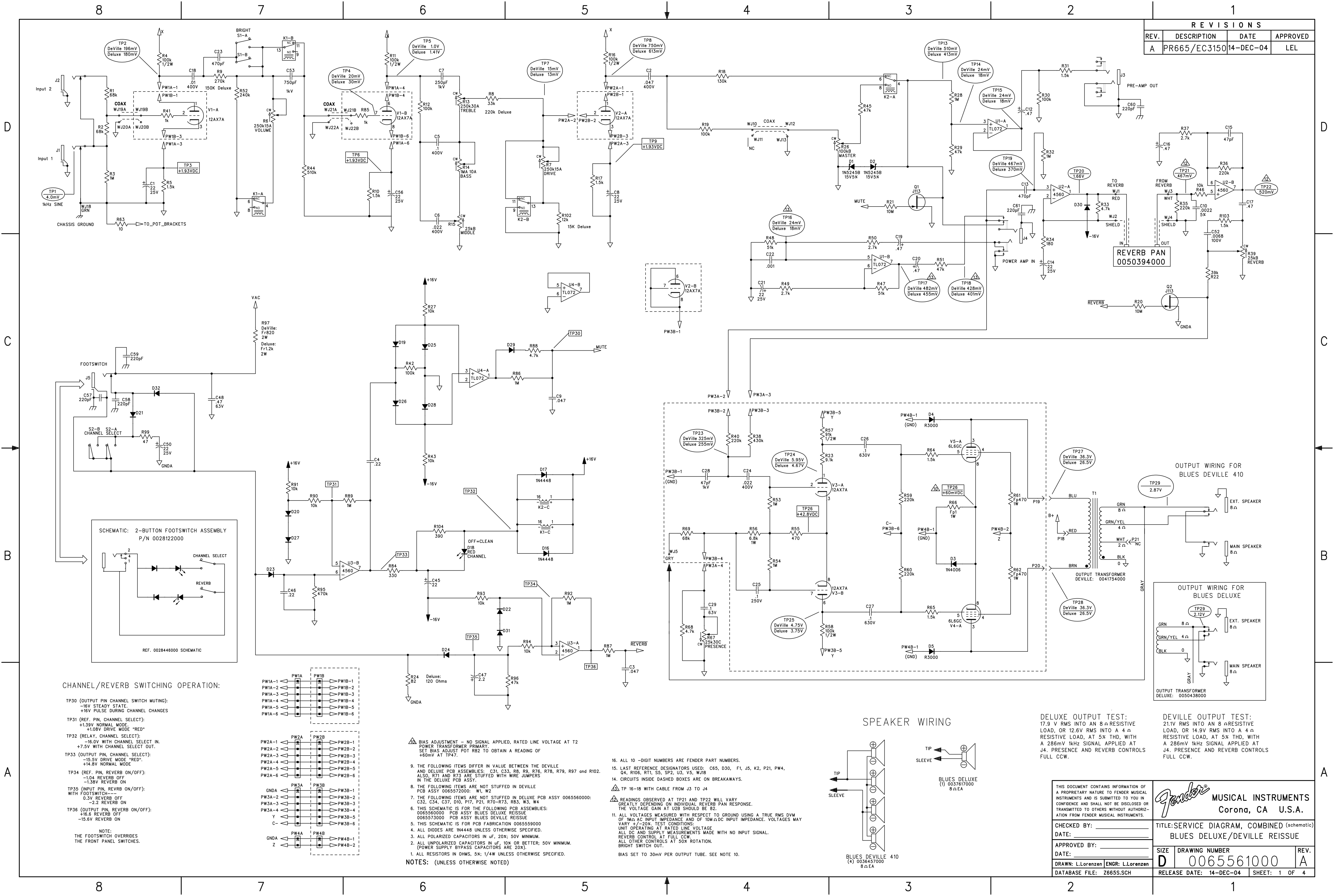
Fender Blues Deluxe reissue schematic. The Blues Deluxe and Blues Devile reissue schematics are merged because they are so similar. Here is the full schematic — https://drive.google.com/file/d/0B01EXvY0__YYM3FqeWtnWGxpRWM/view?usp=sharing
You must be logged in to post a comment.