
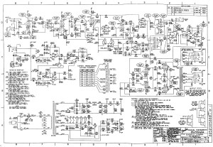
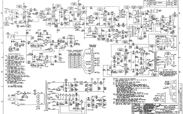
Fender Hot Rod Deville. This one had been through the shit. Power tubes were still functioning but were totally rattley. Sometimes elements in the tubes rattle loose from the vibration of the speakers. Lots of screws in the enclosure and screws holding the speakers were also loose, adding to the terrible rattley, distorted sound. Reverb tank didn’t work and needed to to be replaced.

Whoops out of focus shot. New camera guess I didn’t use it well. If you don’t have to pull the board you are lucky because it is time consuming. All knobs and nuts that hold the pots in place must be removed to get the board out. Always good to search for cracked solder connections in these. You may find some.


You must be logged in to post a comment.