Home
Yay, Fender Super Six. This thing sounds awesome and even though the back is open it has such good bass response.

Yay, Fender Super Six. This thing sounds awesome and even though the back is open it has such good bass response.

6X10 combo, gotta be one of the biggest combos ever. Had 2 shorted power tubes and needed a recap. Sang nicely after that. You can drown in reverb and it's still bassy.

6X10 combo, gotta be one of the biggest combos ever. Had 2 shorted power tubes and needed a recap. Sang nicely after that. You can drown in reverb and it’s still bassy. This one still has the original speakers. 

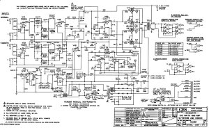
Fender Twin Reverb, Quad Reverb, Super Six schematic

Fender Twin Reverb, Quad Reverb, Super Six schematic