
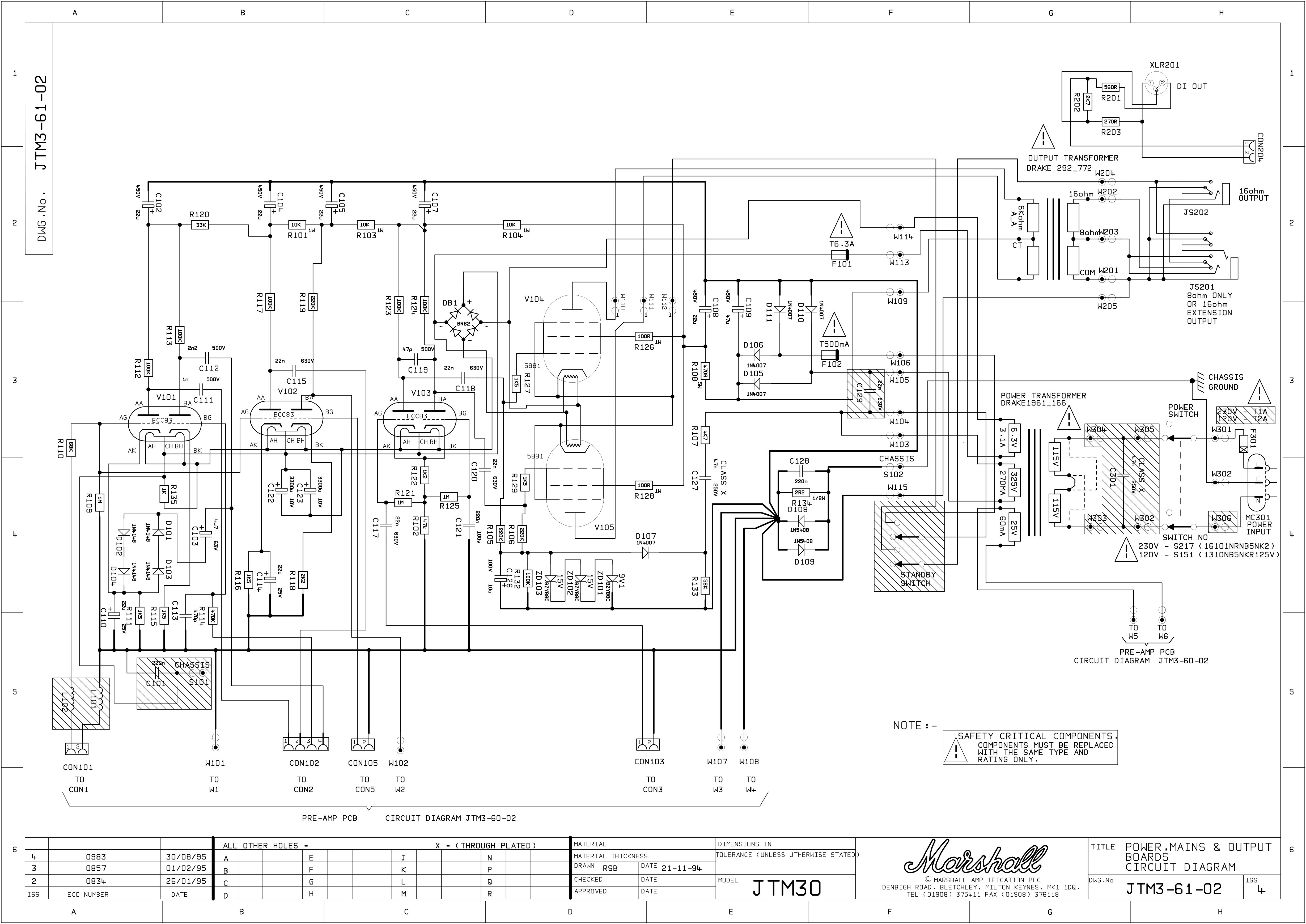
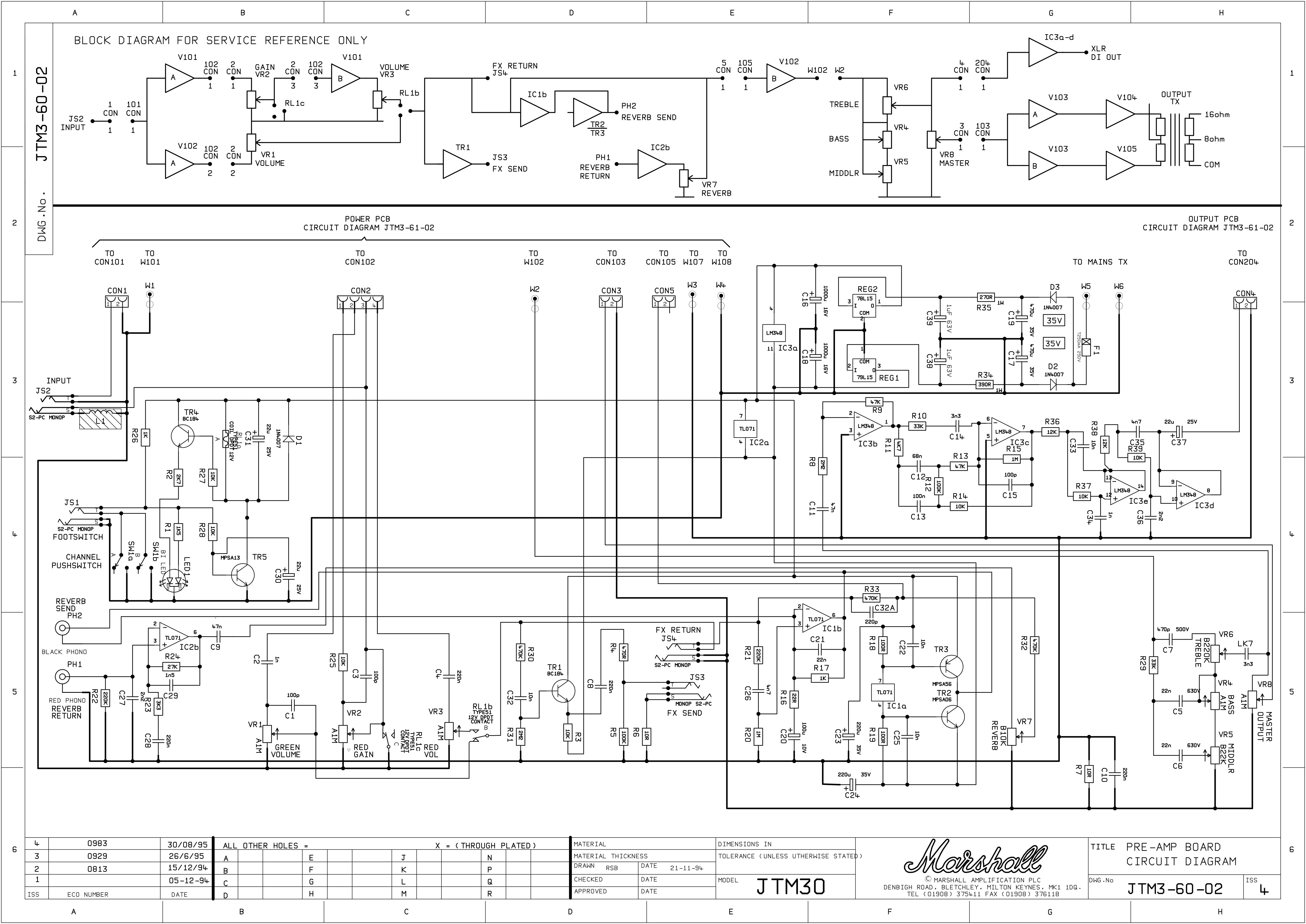
Marshall 2×10 combo from the 90s. Has clean and gain channel with shared tone stack and reverb and master volume.

Kind of crammed together with a solid state board on the left and on the right preamp tubes, power amp and power supply. Someone has recapped the power supply with axial capacitors where it used to have radial, I could only assume.


You must be logged in to post a comment.