
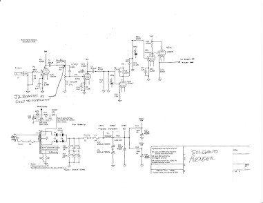
This thing sounds great and also is really good with pedals. Not many amps that can be gainy enough to used outright but also work well with pedals. Sadly the power transformer died for what seemed to be a fluke, some accident, or no reason. There was nothing else wrong with the amp. Shorted primary to ground. As soon as you turn the power on it blows the fuse. This thing was doing 98W at clipping with 5881s. Pretty impressive considering most 100W 6L6GC amps usually only do 80-85W with 5881s. What a beast.

Little brother of SLO. Has one channel with gain rather than clean and gain like the SLO. Also no effects loop. Don’t try to get fancy, just let it rip.

Just for fun here’s one in some sort of lizard skin tolex (Mike Soldano said it might be ostrich?) which resides at Bricktop Recording. If you are a Scott Kelly (Neurosis) fanboy check out the settings he was the last one to use this before the pic was taken.


You must be logged in to post a comment.