
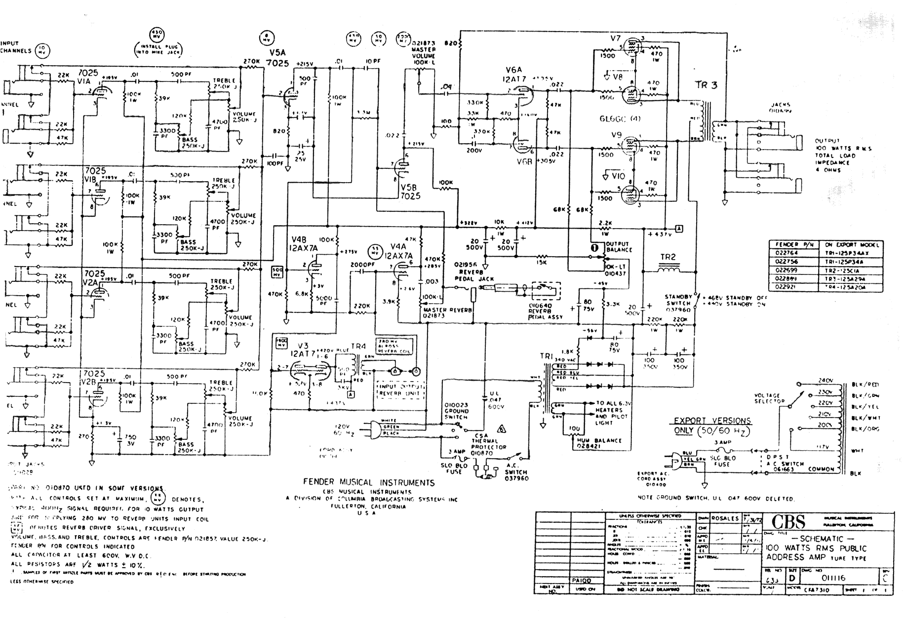
PA100 with 4 channels and some lush reverb. Still running on four old RCA 6L6GCs. A couple of the 70s preamp tubes had to be replaced though.

The amp put out no signal at all. V3 12AT7 was not working, all the flash material was white — the glass was cracked somewhere. Also the V3 470 ohm cathode resistor was burnt to a crisp. Replaced both and the amp worked again. Thought I was done but then I realized the reverb was kind of weak. But it was questionable. It worked ok but seemed a little lacking compared to other Fenders. Getting into it more, it ended up being that the reverb transformer was damaged too. With a new reverb transformer clipped in it was quite a difference and the reverb sounded very nice.

You must be logged in to post a comment.