
Yay my favorite amp, Ampeg V4. These amps are notoriously unreliable probably mainly because they’re from a different era where tubes were more robust, but also because with the tubes under the chassis they run hot when all the heat just rises up into the chassis. To top it off, the power transformer and power tubes (all the hottest parts of the amp) are all shoved together in the corner of the chassis right next to each other. Really not a good idea. Very surprising really that Ampeg’s thermal design for this amp is so terrible and pretty much all other aspects of the design are totally awesome. They even floated the chassis to isolate it from cab vibration with rubber grommet mounting brackets. So cool.
These amps are biased very cold from the factory, in the 45-50% plate dissipation range. If you bias it hot or even “normal” it will probably be too hard on the tubes and it may break. The plate voltage is high (around 530-540V) and the floating paraphase phase inverter gets very asymmetrical the farther into clipping you go, driving the grids of two power tubes with a much larger signal while the signal going to the other half of the push-pull actually gets smaller.

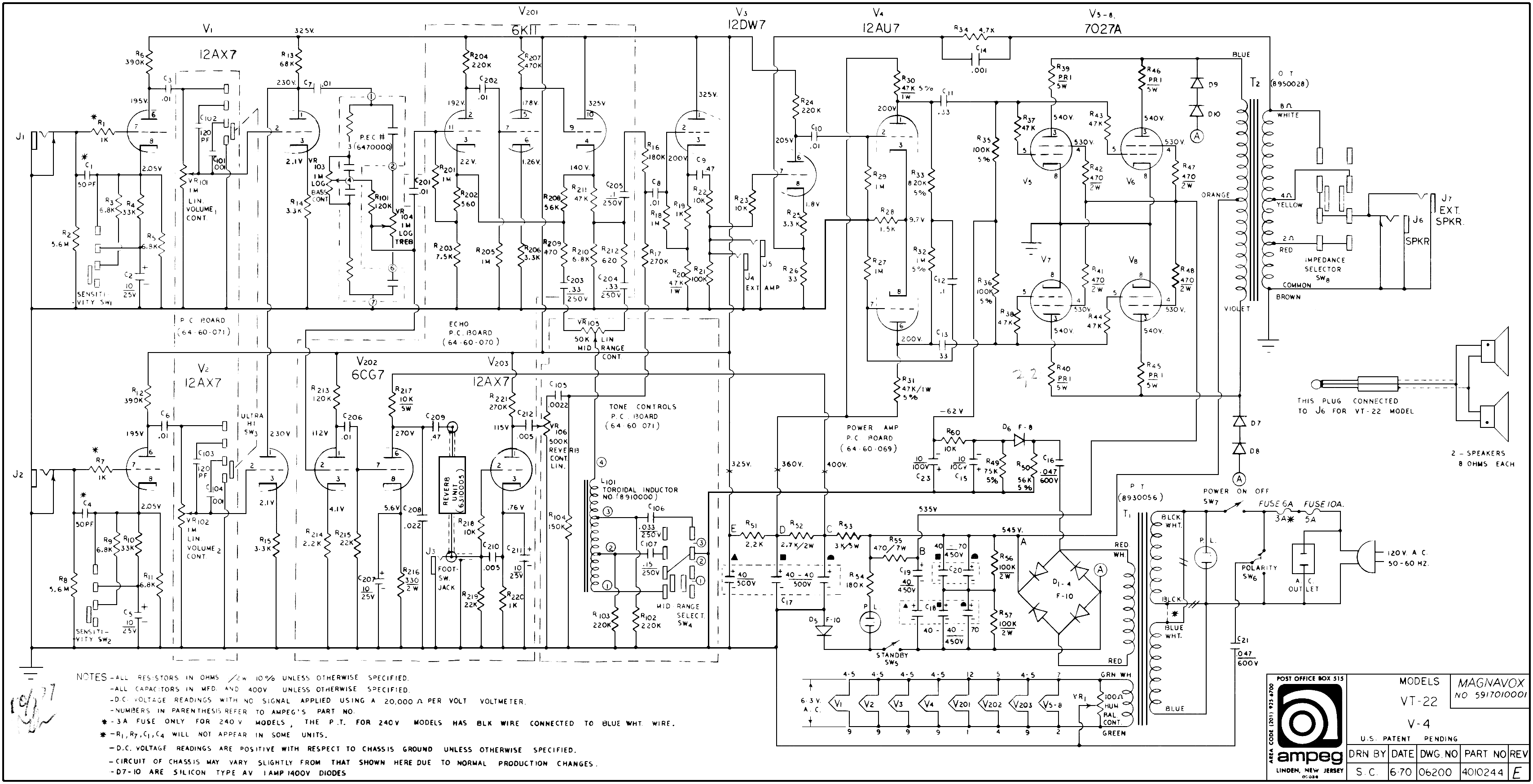
Gotta love how all the old Ampegs came with the schematic pasted to the chassis. This one is in good shape and has most of it’s screen printed front panel graphic still intact. Lots of these have worn off over the years. I could write about the V4/VT22 but there is an awesome write up at the Atomium Amps site. Might as well just peruse that and get into it. Lots of great info — Atomium Amps V-4 Analysis (post restoration).

Ampeg V4/VT22 schematic.
VT22 is the same amp but the combo version.
You must be logged in to post a comment.