
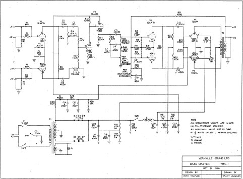
Traynor YBA-1 and quite an old school one. From some time in the late 60s. Has holes routed in the front for ventilation which I’d think is helpful especially with power tubes hanging upside down underneath the chassis. It’s a little 40W amp. The B+ is only about 430V.

Pretty much laid out like a Fender. Tag strip holds everything and that old cloth pushback wire is routed all over pretty haphazardly. Amp had been already been partially recapped with a few Sprague caps and I finished it off adding a few F&Ts. Not the most sightly recap but it is solid. Always nice to work on simple old amps like this that can be repaired and revamped and made to work good for decades more.

You must be logged in to post a comment.